Horizontal Multistage Centrifugal Pump
Horizontal Multistage Centrifugal Pump

Bomba centrífuga horizontal multietapa trifásica AHM-403T

Technical data

Tensión nominal

380V

cabeza calificada

28 metros

Caudal nominal

4 m³/h

Altura máxima

33 metros

Flujo máximo

9,5 m³/h

Clase de aislamiento

F

Presión de diseño

10 bares

Vibración

<2,8 mm/s

Clase de protección

IP54

Frecuencia

50 Hz

Corriente nominal

1.48A

Potencia nominal

550 W

cabeza calificada

28 metros

Potencia máxima

850 W

Altura máxima

33 metros

Máxima eficiencia de la unidad

47%

Clase de aislamiento

F

Ruido

<55 dB(A)

  • Item NO.:

    AHM-403T

Suministro de agua y bomba de refuerzo

Sistema de circulación industrial

Sistema de refrigeración líquida de la estación de carga

Sistema de refrigeración por líquido de almacenamiento

Sistemas de suministro de agua domésticos

Sistemas de circulación de agua caliente y climatización

Sistemas de circulación industrial

Sistemas de limpieza y riego por aspersión para jardines

Sistemas de refrigeración líquida para centros de datos

1. Material: acero inoxidable

2. Impulsor multietapa, alta presión

3. Sello mecánico bidireccional, fácil mantenimiento.

4. Diseño de bloque compacto

5. Todas las piezas hidráulicas que entran en contacto con el fluido, como las cámaras de etapas, los impulsores y los difusores.

Condiciones de trabajo

1. Alimentación eléctrica: 3~380V/50Hz;

2. Presión máxima del sistema: ≤1,0 MPa;

3. Clase de aislamiento: F;

4. Nivel de protección: IP54;

5. Temperatura media (°C): 0~110 °C (agua limpia), -15~110 °C (líquido mixto de agua + etileno (≤50%)) ;

6. Líquido de suministro: agua limpia;

7. Esta bomba de agua es adecuada para transportar agua potable, agua caliente, agua industrial, agua de condensación, una mezcla de etanol y agua (con un contenido máximo de etanol del 40%) y otros líquidos que no contengan aceite mineral, fibras largas o sustancias corrosivas.

Notas de diseño

1. La protección del motor para motores de CA trifásicos es opcional o debe proporcionarse in situ.

2. Motor de CA monofásico equipado con protección térmica integrada y condensador.

Certificación de producto

El producto cumple con los requisitos de certificación 3C.

Requisitos del medio de aplicación

Utilice el medio: solución mixta de agua limpia/agua + etilenglicol (≤50%)

Temperatura media del agua: 0~110℃/-15℃~110℃

Valor de pH medio 6.5-8.5

Dureza media: 25°dH

Contenido de impurezas sólidas en el medio: Diámetro y dirección longitudinal de la impureza sólida ≤ 0,1 mm, y proporción volumétrica ≤ 0,1 %.

Requisitos del entorno de servicio

Uso: Mantenga el eje horizontal

Altitud: 3000 metros

Temperatura ambiente de funcionamiento: -25 ℃ ∼ 55 ℃ ( No hay congelación en la tubería ni en la bomba de agua. )

Humedad ambiental de funcionamiento: ≤95%

Requisitos del entorno de almacenamiento

Temperatura ambiente de almacenamiento: -30℃∼60℃ (no hay congelación en la tubería ni en la bomba de agua)

Humedad del entorno de almacenamiento: ≤95%

Inspección de fábrica

detección de estanqueidad de la máquina

detección de aislamiento del motor

Detección de tensión resistente

Detección de corriente de fuga

Detección de resistencia a tierra

Detección de corriente y potencia en vacío

detección de giros

Prueba de fiabilidad

Prueba de rendimiento hidráulico

Prueba de vibración

Prueba de ruido

Prueba de presión de agua

Prueba de seguridad eléctrica de la máquina completa

Prueba de nivel de protección

Prueba de niebla salina

Prueba de choque térmico

Aumento de temperatura

Prueba de condensado

Prueba de vida

Prueba de arranque y parada

Prueba de alta temperatura y humedad

Instrucciones de instalación y seguridad

1. El líquido bombeado puede estar a alta temperatura y alta presión. Antes de mover y desmontar la bomba, se debe drenar el líquido del sistema o cerrar las válvulas de cierre a ambos lados de la bomba para evitar quemaduras.

2. En invierno, cuando el medio es agua limpia, si el sistema de bombeo no está funcionando o la temperatura ambiente es inferior a 0 °C, se debe drenar el líquido del sistema de tuberías para evitar la congelación y el agrietamiento del cuerpo de la bomba.

3. Si la bomba no se utiliza durante un período prolongado, cierre las válvulas de entrada y salida de agua y desconecte la bomba de la corriente eléctrica. Si observa que el motor se calienta o presenta algún problema, cierre inmediatamente la válvula de entrada, desconecte la bomba de la corriente eléctrica y póngase en contacto con su distribuidor o centro de servicio local.

4. Este producto debe mantenerse fuera del alcance de los niños. Tras la instalación, deben adoptarse medidas de aislamiento para evitar que los niños lo toquen.

5. La dirección de instalación de la bomba de agua es de modo que la dirección axial de la bomba sea horizontal.

6. La bomba de agua debe instalarse para evitar la lluvia, el agua, la exposición y otros lugares.

7. La bomba de agua no puede chocar directamente con objetos duros.

8. Está prohibido hacer funcionar la bomba de agua sin agua para evitar el desgaste del sello mecánico, o incluso que se queme la máquina.

9. El líquido bombeado es fino, limpio, no corrosivo ni explosivo, no contiene fibras ni aceite mineral, el diámetro y la longitud de las partículas sólidas son ≤0,1 mm y la proporción volumétrica es ≤0,1 %. La bomba no debe utilizarse para transportar líquidos inflamables como aceite vegetal y gasolina. Si la bomba se utiliza en una situación con alta viscosidad, su rendimiento se verá reducido, por lo que al seleccionar una bomba, se debe considerar la viscosidad del medio líquido a transportar.

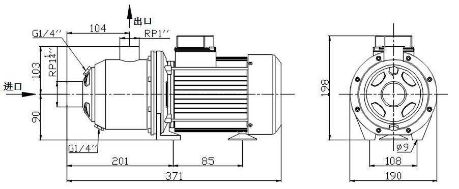
Installation dimension drawing

Curva de rendimiento

Esta curva de rendimiento es adecuada para agua a temperatura normal; en el caso de bombas para medios que no sean agua, el rendimiento hidráulico de la bomba se verá reducido. Por lo tanto, al seleccionar una bomba, se deben considerar las características del medio líquido.

Altura de flujo

circulation pump supplier

Flujo de energía

erp frequency circulation pump

Dejar un mensaje
Si está interesado en nuestros productos y desea conocer más detalles, deje un mensaje aquí, le responderemos lo antes posible.
Entregar

Related Products

pressure booster pump
Bomba centrífuga horizontal multietapa trifásica AHM-1604T

Tensión nominal 380V cabeza calificada 32 metros Caudal nominal 16 m³/h Altura máxima 48 metros Flujo máximo 23 m³/h Clase de aislamiento F Presión de diseño 10 bares Vibración < 2,8 mm/s Clase de protección IP54 Frecuencia 50 Hz Corriente nominal 4.52A Potencia nominal 2200 W Ruido < 63 dB(A) Potencia máxima 3100 W ​

pressure booster pump
Bomba centrífuga multietapa horizontal trifásica AHM-1603T

Tensión nominal 380V cabeza calificada 25 metros Caudal nominal 16 m³/h Altura máxima 36 metros Flujo máximo 23 m³/h Clase de aislamiento F Presión de diseño 10 bares Vibración < 2,8 mm/s Clase de protección IP54 Frecuencia 50 Hz Corriente nominal 4.01A Potencia nominal 1850 W Ruido < 63 dB(A) Potencia máxima 2500 W ​

Horizontal Multistage Centrifugal Pump
Bomba centrífuga horizontal multietapa trifásica AHM-805T

Tensión nominal 380V cabeza calificada 48 metros Caudal nominal 8 m³/h Cabeza de Max. 59 metros Flujo máximo 15 m³/h Clase de aislamiento F Presión de diseño 10 bares Vibración < 2,8 mm/s Clase de protección IP54 Frecuencia 50 Hz Corriente nominal 4.01A Potencia nominal 1850 W Ruido < 62 dB(A) Potencia máxima 2200 W ​

 Horizontal Multistage Centrifugal Pump
Bomba centrífuga multietapa horizontal trifásica AHM-804T

Tensión nominal 380V cabeza calificada 38 metros Caudal nominal 8 m³/h Altura máxima 48 metros Flujo máximo 15 m³/h Clase de aislamiento F Presión de diseño 10 bares Vibración < 2,8 mm/s Clase de protección IP54 Frecuencia 50 Hz Corriente nominal 3.62A Potencia nominal 1500 W Ruido < 62 dB(A) Potencia máxima 1900 W ​

Horizontal Multistage Centrifugal Pump
Bomba centrífuga horizontal multietapa trifásica AHM-803T

Tensión nominal 220V cabeza calificada 28 metros Caudal nominal 8 m³/h Altura máxima 35 metros Flujo máximo 15 m³/h Clase de aislamiento F Presión de diseño 10 bares Vibración < 2,8 mm/s Clase de protección s IP54 Frecuencia 50 Hz Corriente nominal 6.55A Potencia nominal 1100 W Ruido < 62 dB(A) Potencia máxima 1400 W ​

Horizontal Multistage Cenrifugal Pump
Bomba centrífuga multietapa horizontal trifásica AHM-405T

Tensión nominal 380V cabeza calificada 46 metros Caudal nominal 4 m³/h Altura máxima 57 metros Flujo máximo 9,5 m³/h Clase de aislamiento F Presión de diseño 10 bares Vibración < 2,8 mm/s Clase de protección s IP54 Potencia nominal 1100 W Ruido < 60 dB(A) Potencia máxima 1500 W ​

Horizontal Multistage Centrifugal Pump
Bomba centrífuga multietapa horizontal trifásica AHM-404T

Tensión nominal 380V cabeza calificada 35 metros Caudal nominal 4 m³/h Altura máxima 42 metros Flujo máximo 9,5 m³/h Clase de aislamiento F Presión de diseño 10 bares Vibración ​

Horizontal Multistage Centrifugal Pump
Bomba centrífuga multietapa horizontal trifásica AHM-203T

Tensión nominal 380V cabeza calificada 28 metros Caudal nominal 2 m³/h Cabeza de Max. 33 metros Flujo máximo 6 m³/h Clase de aislamiento F Presión de diseño 10 bares Vibración < 2,8 mm/s Clase de protección IP54 Frecuencia 50 Hz Corriente nominal 1.48A Potencia nominal 550 W Ruido < 62 dB ( A ) Potencia máxima 650 W ​

Three Speed Circulation Pump With Flange Connection
Bomba de circulación de alto flujo de tres velocidades Basic 80-12SF Pro

Modelo  Básico 80-12SF Pro Fuerza  1500W Flujo máx.  40m³/h cabeza máxima  12m Voltaje/ Frecuencia  380V /50HZ Carcasa de bomba  Hierro fundido Líquido bombeado  Agua Clase de aislamiento  h Grado de protección  IP42 Rango de temperatura del líquido  2~110℃ Presión máxima del sistema  1.0Mpa ​

central heating circulating pump for Heat Pump
Bomba de circulación de calor Master H 20-6 Pro

Voltaje de la fuente de alimentación 220~240 V, CA, tierra de protección Protección del motor No requiere protección externa Clase de IP IP44 Clase de aislamiento H Humedad (RH) Máximo 95% Presión del sistema 1,0 Mpa Cumplimiento EMC/RoHS/REACH/TUV/CE/EEI/CCC Temperatura ambiente -30℃~55℃ Clase de temperatura TF 95 Temperatura del líquido -20 °C ~+95℃ Conexión/Uniones Molex/TE ​

Horizontal Multistage Centrifugal Pump
Bomba centrífuga multietapa horizontal MHI-804

Tensión nominal : 220 V. Corriente nominal: 9,15 A. Frecuencia : 50Hz Flujo nominal : 8m³/h Cabeza nominal : 18 m Potencia nominal: 1500W Flujo máximo : 15 m³/h Altura máxima : 48m Potencia máxima : 1900W Presión de diseño : 10bar Clase de aislamiento : F Eficiencia máxima de la unidad: 49% Clase de protección : IP54. Vibración : < 2,8 mm/s Ruido : < 55 dB ( A ) Dirección: en sentido antihorario visto desde la entrada de la bomba ​

R290 All Inverter Circulation Pump for Heat Pump
Bomba de circulación de bomba de calor Grand 32-15 Pro

Voltaje de la fuente de alimentación 220 V ~ 240 V, CA, conexión a tierra de protección Protección del motor No requiere protección externa Clase de IP IP67 Clase de aislamiento H Humedad ( RH) Máximo 95% Presión del sistema 1,0 Mpa Cumplimiento EMC/RoHS/REACH/TÜV/CE/EEI/CCC Temperatura ambiente -30℃~55℃ Clase de temperatura TF 95 Temperatura del líquido -20~+95℃ Conexión/Uniones Molex/TE ​

Need Help? Chat with us

Dejar un mensaje
Si está interesado en nuestros productos y desea conocer más detalles, deje un mensaje aquí, le responderemos lo antes posible.
Entregar
Looking for Honor ?
Contact Us #
+86 0551 62379807

Nuestro horario

Lun 21/11 - Miércoles 23/11: 9 a. m. - 8 p. m.
Jueves 24/11: cerrado - ¡Feliz Día de Acción de Gracias!
Viernes 25/11: 8 a. m. - 10 p. m.
Sábado 26/11 - dom 27/11: 10 a. m. - 9 p. m
. (todas las horas son hora del este)

Home

Products

contact